مدار چند برابر کننده ی ولتاژ؛ آموزش الکترونیک؛ فصل 4؛ جلسه 21
- مهندسی برق, الکترونیک
- نرگس دارابی
- 2 دقیقه
سلام و عرض ادب خدمت دوستان عزیزم؛ امیدوارم در شروع سال تحصیلی جدید که یک ماهی از آن می گذرد، انگیزه و تلاش تان در عالی ترین حالت ممکن و پایدار باشد. امروز قصد داریم به مبحث مدار چند برابر کننده ی ولتاژ در فصل الکترونیک بپردازیم. با ما همراه باشید.
مدار چند برابر کننده ی ولتاژ
چندبرابرکننده ولتاژ یکی از مدارهای پرکاربرد در الکترونیک قدرت و منابع تغذیه است که بدون نیاز به ترانسفورماتور، میتواند ولتاژ خروجی را چندین برابر ولتاژ ورودی کند. این مدارها با استفاده از ترکیب خازنها و دیودها، انرژی الکتریکی را در چند مرحله ذخیره و انتقال میدهند تا در نهایت ولتاژی بالاتر از منبع اولیه تولید شود. از این مدارها در دستگاههایی مانند نمایشگرهای CRT، منابع تغذیه ولتاژ بالا، و حتی مدارهای ضربهای (Pulse Circuits) استفاده میشود. آشنایی با نحوه عملکرد و طراحی چندبرابرکنندهها، گامی مهم در درک بهتر مفاهیم مدارهای الکترونیکی است.
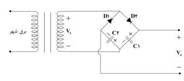
مدار زیر دو برابر کننده ی ولتاژ است.
![]()

در مدار بالا در نیم سیکل مثبت VI ، دیود DI وصل و D2 قطع بوده و خازن C1 شارژ می شود. سپس در نیم سیکل منفی VI ، D1 قطع و D2 وصل بوده و خازن C2 شارژ می شود.بنابراین در یک سیکل کامل از ورودی هر خازن به اندازه ی Vm شارژ شده و مقدار ولتاژ خروجی برابر
خواهد بود. نمودار ولتاژها به صورت زیر است.
یک نکته مهم: ذکر این نکته ضروری است که در صورت قرار دادن بار در دو سر خروجی ولتاژ خروجی به اینصورت صاف و بدون تغییرات نخواهد بود و بسته به مقاومت بار، ولتاژ خروجی تغییر خواهد کرد.
در نهایت مدار چند برابر کننده ی ولتاژ به صورت زیر خواهد بود:

این هم از جلسه امروزمان. امیدوارم مرور این مطالب برای شما مفید باشد. برای تمرین بیشتر حتما به جزوه این جلسه مراجعه فرمایید. برای دیدن توضیحات کامل این فصل هم دیدن این محتوا برای شما موثر خواهد بود.
از همراهی شما سپاسگزاریم.
موفق و پیروز باشید.

