آموزش الکترونیک 1؛ فیلتر خازنی؛ یکسو کننده ها؛ جلسه 7
- مهندسی برق, الکترونیک
- نرگس دارابی
- 3 دقیقه
سلام و عرض ادب خدمت دوستان عزیزم؛ امیدوارم حال دلتون عالی باشه. بدون مقدمه بریم سراغ مطلب آموزشی امروز. فیلتر خازنی موضوعی هست که اموز بهش می پردازیم. تا انتها با ما همراه باشید.
فیلتر خازنی
بعد از اینکه ولتاژ توسط یکسو کننده، یکسو شد هنوز دارای ریپل است و تغییرات آن تقریبا بین 0 تا Vm است. برای کاهش این تغییرات از فیلتر خازنی استفاده می شود. البته توجه داشته باشید که قبل از یکسو کننده، مقدار DC ولتاژ صفر است در حالیکه بعد از یکسو کننده دیگر مقدار DC صفر نیست. بنابراین عملا بعد از یکسو کننده یک ولتاژ DC داریم. اما عیب آن این است که ریپل دارد و باید ریپل آن گرفته شود.
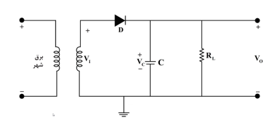
مدار یکسو کننده ی نیم موج با فیلتر خازنی به صورت زیر است (فرض کنید دیود ایده ال است)
![]()
در نیم سیکل مثبت دیود D وصل بوده و خازن شارژ می شود. در این مرحله خازن به اندازه ی Vm شارژ می شود. زمانیکه مقدار VI از Vm کمتر شد دیود قطع می شود. در حقیقت ولتاژ پایه ی منفی دیود برابر Vm شده و ولتاژ پایه ی مثبت آن از Vm کمتر می شود که باعث قطع شدن دیود می شود.
بعد از قطع شدن دیود، مدار به صورت روبرو بوده و خازن جایی دشارژ نمی شود. بنابراین ولتاژ خازن به همین صورت باقی می ماند و تغییری نمی کند. این امر باعث می شود که دیود D همیشه قطع باقی بماند و ولتاژ خروجی در مقدار Vm ثابت بماند و داریم:

بنابراین در این حالت VI و VO به صورت شکل روبرو است.

در شکل بالا مشاهده می کنیم که VO ثابت بوده و تغییری نمی کند. کند بنابراین به نظر می رسد که بعد از اضافه کردن فیلتر VO ثابت بوده و نیازی به بخش بعدی نیست. اما واقعیت این است که این منبع تغذیه ساخته می شود که یک بار مشخصه ی مثل RL
را تغذیه می کند. بنتابراین بعد از فیلتر حتما یک مقاومت RL به مدار وصل می شود. به عبارتی در اینجا کل مداری که باید بعد از فیلتر قرار گیرد را معادل RL در نظر می گیریم. و باید با وجود مقاومت این مدار را تحلیل کنیم.
بنابراین مدار رو به رو را داریم:
![]()
در شروع کار VI دیود D وصل شده و ، دیود خازن به اندازه ی Vm شارژ می شود. V با بنابراین VO با Vm برابر می شود. وقتیکه VI از Vm کمتر شد دیود D قطع می شود چون ولتاژ پایه ی مثبت از منفی آن کمتر می شود. با قطع شدن دیود مدار به صورت زیر خواهد بود.
لحظه ی قطع شدن دیود ![]()
بنابراین در این حالت که دیود قطع است خازن در مقاومت RL شارژ می شود و رفته رفته ولتاژ آن کاهش می یابد. بنابراین ولتاژ VO با ثابت زمانی
وابسته است. از طرفی از آنجاییکه VI یک ولتاژ متناسب است مقدار آن در حال تغییر بوده و VI دوباره مثبت می شود. زمانیکه VI از VO بیشتر نشد، دیود D دوباره وصل می شود و VO با VI برابر شده و در ماکزیمم مقدار VI خازن به اندازه Vm شارژ شده و دوباره دیود قطع می شود و این فرآیند به همین صورت تکرار می شود.

خب دوستان عزیزم این جلسه رو با لینک دسترسی به جزوه این فصل و محتوای ویدئویی به پایان می رسونیم.
از اینکه این جلسه هم ما را همراهی کردید، سپاسگزاریم.
موفق و پیروز باشید.

