تنظیم ولتاژ(رگولاتورها)؛ آموزش الکترونیک؛ فصل4؛ جلسه 14
- مهندسی برق, الکترونیک
- نرگس دارابی
- 2 دقیقه
درود و عرض ادب خدمت دوستان عزیزم؛ امیدوارم حال دلتون عالی باشه. همچنان در ادامهخ مباحث الکترونیک هستیم و امروز قصد داریم به مبحث رگولاتورها بپردازیم. تا انتها همراه ما باشید.
تنظیم کننده ی ولتاژ (رگولاتور)
در دنیای الکترونیک، بسیاری از مدارها و تجهیزات به ولتاژ پایدار و دقیق نیاز دارند تا عملکرد صحیح و ایمن داشته باشند. هرگونه نوسان یا افزایش ناگهانی ولتاژ میتواند به قطعات حساس آسیب برساند یا باعث عملکرد نادرست مدار شود. رگولاتورها یا مدارهای تنظیم ولتاژ، این مشکل را حل میکنند. این قطعات ولتاژ ورودی را دریافت کرده و آن را به سطحی ثابت و ایمن تبدیل میکنند، چه در منابع تغذیه ساده خانگی و چه در مدارهای پیشرفته دیجیتال و صنعتی. در واقع، رگولاتور نقش یک نگهبان ولتاژ را ایفا میکند و تضمین میکند که مدارهای شما همیشه با ولتاژ مناسب کار کنند.
مشاهده کردیم که بعد از فیلترخازنی ریپل شکل موج خروجی کمتر شد و به صورت رو به رو بود.
ساده ترین روش به منظور تثبیت ولتاژ خروجی استفاده از یک دیود زنر است. در حقیقت چون ولتاژ بعد از خازن (شکل بالا) از مقدار معینی (min) بیشتر است. با اعمال کردن این ولتاژ به یک دیود زنر در حالت بایاس معکوس، دیود زنر وارد ناحیه ی شکست شده و ولتاژ دو سر آن ثابت می ماند. البته موضوعی که باید رعایت شود این است که دیود زنر همیشه در ناحیه ی شکست باشد. چون اگر از ناحیه ی شکست خارج شد دیگر ولتاژ دو سر آن ثابت نخواهد بود. برای اینکه دیود زنر در ناحیه ی شکست باقی
بماند باید داشته باشیم![]()
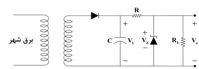
به طور کلی باید ولتاژ خروجی فیلتر را مطابق شکل زیر به دیود زنر وصل کنیم:

در شکل بالا مقاومت R به منظور محدود کردن جریان دیود زنر استفاده می شود و اگر در مدار نباشد دیود زنر می سوزد. RL باری است که به منبع تغذیه وصل می شود.
دقت کنید که در مدار بالا ولتاژ دو سر خازن، VI نامیده شده است در حقیقت VI برابر VO مرحله ی قبل است.
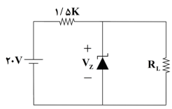
برای تفهیم بیشتر موضوع یک مثال براتون می نویسم که سعی کنید اول خودتون این مثال را حل کنید بعد برای دیدن توضیحات تکمیلی به آموزش ویدئویی اون در این لینک مراجعه کنید.
مثال) در مدار تنظیم کننده ولتاژ شکل زیر دیود زنر دارای
می باشد. حداقل مقاومت RL که م یتوان به مدار متصل کرد، چقدر است؟
مقاومت داخلی دیود زنر را صفر فرض کنید.

خب این هم از جلسه امروز. امیدوارم براتون مفید واقع شده باشد. برای دیدن توضیحات کامل این فصل می توانید به این لینک در وبسایت مراجعه فرمایید. البته فراموش نکنید که حتما جزوه هم همراه داشته باشید و بطور همزمان مطالعه رو پیش ببرید.

